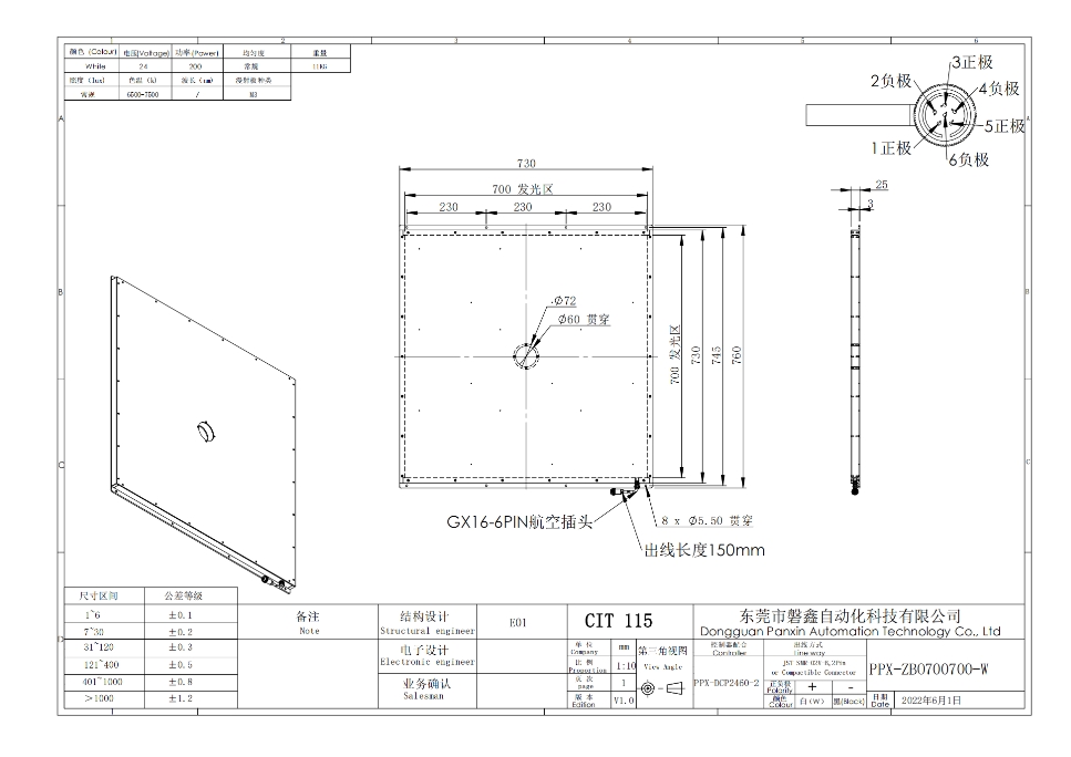
PPX 磐鑫 PPX-ZBO700700-W 中孔背光源
PPX 磐鑫 PPX-ZBO700700-W 中孔背光源 应用范围 反光表面检测/有无筛选/MARK点定位/液晶显示屏定位检测/表面划伤 缺陷检测 产品特点 大面积表面打光首选 可定制开孔的数量 大小 位置 满足多种需求 高密度LED排列 亮度高 照射均匀 选配漫反射板 光线柔和 均匀性更强 光源电源线采用定制设计的出线卡扣 提高光源抗拉扯 耐摇摆性能10倍以上 技术指标 手机/微信:13682357734 电话:0755-84690029 QQ: 2844337877 邮箱:2844337877@qq.com...
分类:
货号:
PPX-ZBO700700-W
描述
PPX 磐鑫 PPX-ZBO700700-W 中孔背光源
应用范围
反光表面检测/有无筛选/MARK点定位/液晶显示屏定位检测/表面划伤 缺陷检测
产品特点
大面积表面打光首选
可定制开孔的数量 大小 位置 满足多种需求
高密度LED排列 亮度高 照射均匀
选配漫反射板 光线柔和 均匀性更强
光源电源线采用定制设计的出线卡扣 提高光源抗拉扯 耐摇摆性能10倍以上
技术指标

手机/微信:13682357734 电话:0755-84690029 QQ: 2844337877 邮箱:2844337877@qq.com
