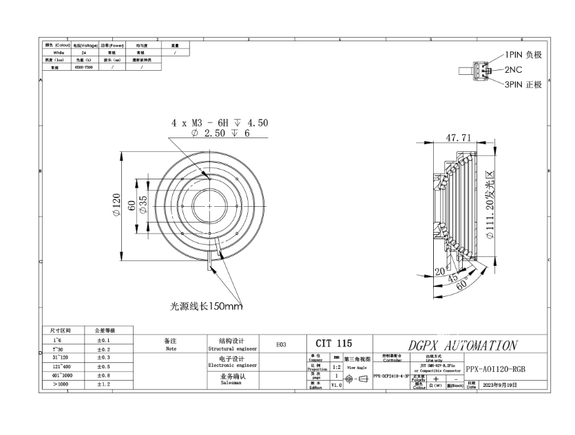
PPX 磐鑫 PPX-AOI120 AOI光源
PPX 磐鑫 PPX-AOI120 AOI光源 应用范围 专用于电路板焊锡检测/旋转体形状缺陷检测/多层次物体检测 产品特点 采用RGB三种颜色LED与多角度设计 特质漫射板 可提供光源均匀性 多色多角度照射 能准确反映物体表面坡度信息AOI专用 多用于焊锡检测 技术指标 手机/微信:13682357734 电话:0755-84690029 QQ: 2844337877 邮箱:2844337877@qq.com...
分类:
货号:
PPX-AOI120
描述
PPX 磐鑫 PPX-AOI120 AOI光源
应用范围
专用于电路板焊锡检测/旋转体形状缺陷检测/多层次物体检测
产品特点
采用RGB三种颜色LED与多角度设计
特质漫射板 可提供光源均匀性
多色多角度照射 能准确反映物体表面坡度信息AOI专用 多用于焊锡检测
技术指标

手机/微信:13682357734 电话:0755-84690029 QQ: 2844337877 邮箱:2844337877@qq.com
