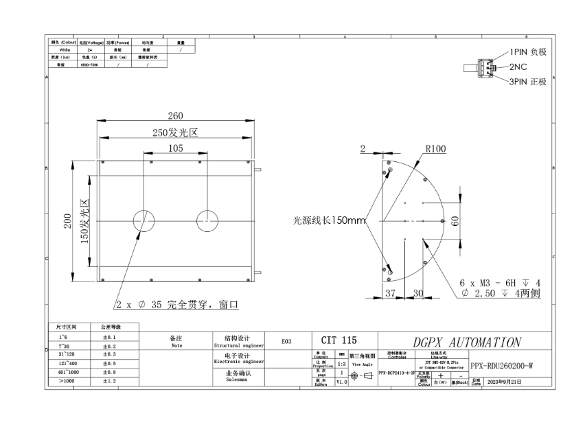
PPX 磐鑫 PPX-RDU260200 隧道光光源
PPX 磐鑫 PPX-RDU260200 隧道光光源 应用范围 烟包表面检测/电子产品外壳污点杂质检测/PCB铜箔检测/大幅面表面缺陷检测 产品特点 采用高效的散热设计,充分保证产品亮度和使用寿命 漫射效果好,有效消除表面不平整形成的干扰 可选择中间开孔或者开槽以配合面阵相机和线阵相机 光源电源线采用定制设计的出线卡扣提高光源抗拉扯耐摇摆性能10倍以上 01. 技术指标 手机/微信:13682357734 电话:0755-84690029 QQ: 2844337877 邮箱:2844337877@qq.com...
分类:
货号:
PPX-RDU260200
描述
PPX 磐鑫 PPX-RDU260200 隧道光光源
应用范围
烟包表面检测/电子产品外壳污点杂质检测/PCB铜箔检测/大幅面表面缺陷检测
产品特点
采用高效的散热设计,充分保证产品亮度和使用寿命
漫射效果好,有效消除表面不平整形成的干扰
可选择中间开孔或者开槽以配合面阵相机和线阵相机
光源电源线采用定制设计的出线卡扣提高光源抗拉扯耐摇摆性能10倍以上
01. 技术指标

手机/微信:13682357734 电话:0755-84690029 QQ: 2844337877 邮箱:2844337877@qq.com
