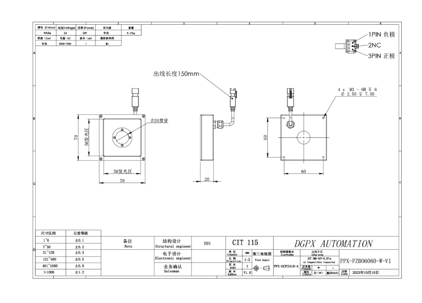
PPX 磐鑫 PPX-FZBO6060 防水光源
PPX 磐鑫 PPX-FZBO6060 防水光源 应用范围 CNC铣床定位/油污 多尘环境/浅水层打光应用/室外应用 产品特点 PPX系列防水光源可达防水IP67标准 特殊机械结构设计 保证光源稳定 特别加大的散热片设计 保证在密封 多尘 油污环境下能呈现良好的工作状态 出线口采用定制金属防水接头 防水性能高 耐拉扯 01. 技术指标 手机/微信:13682357734 电话:0755-84690029 QQ: 2844337877 邮箱:2844337877@qq.com...
分类:
货号:
PPX-FZBO6060
描述
PPX 磐鑫 PPX-FZBO6060 防水光源
应用范围
CNC铣床定位/油污 多尘环境/浅水层打光应用/室外应用
产品特点
PPX系列防水光源可达防水IP67标准
特殊机械结构设计 保证光源稳定
特别加大的散热片设计 保证在密封 多尘 油污环境下能呈现良好的工作状态
出线口采用定制金属防水接头 防水性能高 耐拉扯
01. 技术指标

手机/微信:13682357734 电话:0755-84690029 QQ: 2844337877 邮箱:2844337877@qq.com
