PPX 磐鑫 PPX-AGCO50-W-V3 同轴光源
PPX 磐鑫 PPX-AGCO50-W-V3 同轴光源 应用范围 反光表面检测/有无筛选/MARK点定位/液晶显示屏定位检测/表面划伤,缺陷检测 产品特点 采用国际一流镀膜分光镜成像品质高 无重影 采用同轴光源专用散热部件 保证光源散热效率最大限度延长使用周期 高密度LED排列 亮度高 照射均匀 选配漫反射板光线柔和均匀性更强 光源电源线采用定制设计的出线卡扣 提高光源抗拉扯耐摇摆性能10倍以上 01. 技术指标 手机/微信:13682357734 电话:0755-84690029 QQ: 2844337877 邮箱:2844337877@qq.com...
分类:
货号:
PPX-AGCO50-W-V3
描述
PPX 磐鑫 PPX-AGCO50-W-V3 同轴光源
应用范围
反光表面检测/有无筛选/MARK点定位/液晶显示屏定位检测/表面划伤,缺陷检测
产品特点
采用国际一流镀膜分光镜成像品质高 无重影
采用同轴光源专用散热部件 保证光源散热效率最大限度延长使用周期
高密度LED排列 亮度高 照射均匀
选配漫反射板光线柔和均匀性更强
光源电源线采用定制设计的出线卡扣 提高光源抗拉扯耐摇摆性能10倍以上
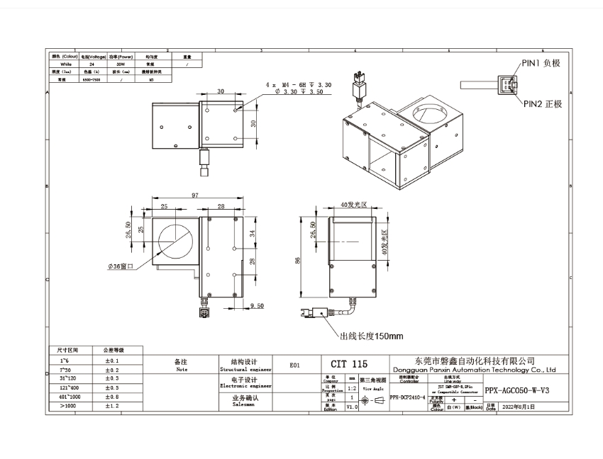
01. 技术指标

手机/微信:13682357734 电话:0755-84690029 QQ: 2844337877 邮箱:2844337877@qq.com
