LOTS 乐视 LTS-LCD19640-WN LCD表面检测灯
LOTS 乐视 LTS-LCD19640-WN LCD表面检测灯
因LCD贴片工序一直以來的生产都是靠手工清洁和贴片为主。在整个贴附过程中使用垂直射角的日光灯不能很好地检查LCD表面灰点。导致很多片灰**漏过。為了改善现狀。我司研发了LCD平行表面检查灯。
LCD平行表面检查灯是由高亮度大功率LED阵列经过优化特殊设计而成的光源,发出光线均匀平行较宽的照射大面积,亮度可达到2万LUX以上。针对LCD面板的灰尘、划痕、脏污等检测,可选择颜色正白,暖白,黄色,绿色等,以适合不同工序使用。
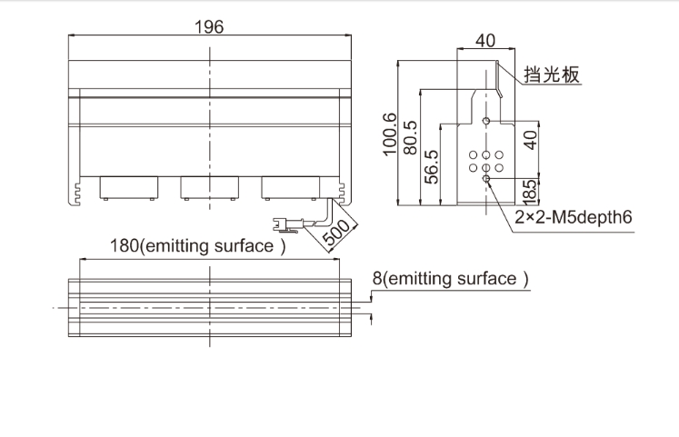
(为了防止人工眼睛长时间使用产生疲劳,可增加遮光板)
应用:*LCD滤光片、偏光板。 *晶圆、半导体。 *玻璃或是金属表面。 *上列物品的刮痕及灰尘检查。 *TFT LCD 液晶模组及 Color Filter 基板 、Array 基板制程、CELL制程、CF基板制程等品质检查专用 *LCD滤光片、偏光板、晶圆、半导体、玻璃或是金属表面、物品的镀膜层均匀度与刮痕及灰尘检查 |
特点:1.特殊波长,主波长为546、578nm知黄绿光且不伤人眼。 2.藉由人眼对黄绿光的高感度来检查10um以下的刮痕或灰尘。 3.主机和光线部分为分离是可任意调整照射角度。 |
可选参数:冷白:6000-65000K 正白:5000-5500K 暖白:2800-3700K 黄绿色:525-595nm 可根据客户求进行选择不同长度的光源 。 |
光源参数:
|
产品型号 |
LTS-LCD19640-WN |
||||
|
产品类型 |
LCD表面检测灯 |
||||
|
LED类型 |
大功率LED |
||||
|
颜色 |
暖白色 |
||||
|
波长 |
-- |
||||
|
色温 |
6600K |
||||
|
功率 |
48W |
||||
|
输入电压 |
DC 24V max. |
||||
|
线缆长度 |
0.5m |
||||
|
连接器型号 |
TQ16-4 |
||||
|
连接器定义 |
1:LED+;2:LED-;3:Fan+;4:Fan- |
||||
|
外壳材质 |
铝合金(表面氧化发黑处理) |
||||
|
冷却方式 |
风冷 |
||||
|
外形尺寸 |
L196mmxW100.6mmxH40mm |
||||
|
使用温度和湿度 |
温度 : 0 to 40ºC,湿度 : 20 to 85%RH(非凝结) |
||||
|
使用寿命 |
在本公司指定使用条件下,红光5万小时,白光3万小时,亮度降低到出厂值的50% |
||||
|
质保期 |
在本公司指定使用条件下,出货日起质保一年,一年内如出现故障问题,可免费维修 或更换;(一年内如亮度衰减超过50%,可免费更换新光源) |
||||
|
增值服务 |
一年免费技术支持,免费出借样品测试 |
||||
|
配套电源(可选) |
1.大功率控制器 |
||||
|
配套线缆(可选) |
1.LTS-EX系列(光源延长线) 2.LTS-TS系列(接头转接线) 3.LTS-SE系列(接头分接线) |
||||
*2012年1月起,LOTS所有颜色的光源*大输入电压均为24V。
*LOTS公司保留在未事先通知的情况下对产品进行更改的权利。
*LOTS公司可根据客户需求定制紫外、红外、黄色等非标光源。
手机/微信:13682357734 电话:0755-84690029 QQ: 2844337877 邮箱:2844337877@qq.com
