LOTS 乐视 LTS-RNMU75-RGB 多角度环形光源
LOTS 乐视 LTS-RNMU75-RGB 多角度环形光源
|
产品型号 |
LTS-RNMU75-RGB |
||||
|
产品类型 |
多角度环形光源 |
||||
|
LED类型 |
直插式 |
||||
|
颜色 |
红色 |
蓝色 |
绿色 |
||
|
波长 |
620-635nm |
465-470nm |
525-530nm |
||
|
色温 |
-- |
-- |
-- |
||
|
功率 |
17.3W |
||||
|
输入电压 |
DC 24V max. |
||||
|
线缆长度 |
0.5m |
||||
|
连接器型号 |
SMR-03V-B |
||||
|
连接器定义 |
1:正极(+)红色;2:留空;3:负极(—)黑色; |
||||
|
外壳材质 |
铝合金(表面氧化发黑处理) |
||||
|
冷却方式 |
自然风冷 |
||||
|
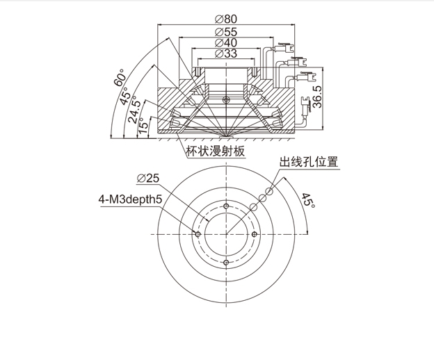
外形尺寸 |
外径80x内径33x高36.5mm |
||||
|
使用温度和湿度 |
温度 : 0 to 40ºC,湿度 : 20 to 85%RH(非凝结) |
||||
|
使用寿命 |
在本公司指定使用条件下,红光5万小时,白光3万小时,亮度降低到出厂值的50% |
||||
|
质保期 |
在本公司指定使用条件下,出货日起质保两年,两年内如出现故障问题,可免费维修或更换 |
||||
|
增值服务 |
一年免费技术支持,免费出借样品测试 |
||||
|
配套电源(可选) |
1.模拟控制器 2.数字控制器 3.频闪控制器 4.模拟控制盒 |
||||
|
配套线缆(可选) |
1.LTS-EX系列(光源延长线) 2.LTS-TS系列(接头转接线) 3.LTS-SE系列(接头分接线) |
||||
*2012年1月起,LOTS所有颜色的光源*大输入电压均为24V。
*LOTS公司保留在未事先通知的情况下对产品进行更改的权利。
*LOTS公司可根据客户需求定制紫外、红外、黄色等非标光源。
手机/微信:13682357734 电话:0755-84690029 QQ: 2844337877 邮箱:2844337877@qq.com
