MORITEX茉丽特 FA工业镜头 ML1-89N
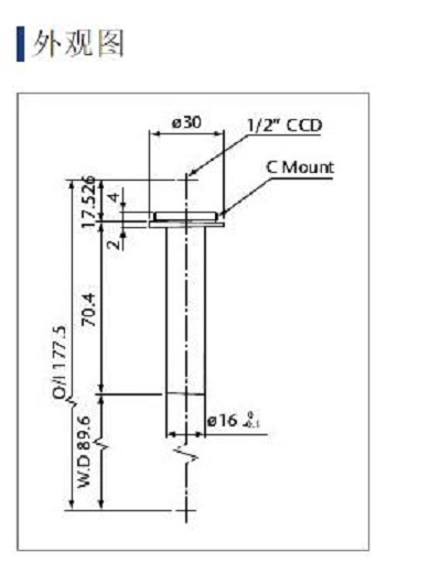
MORITEX茉丽特 FA工业镜头 ML1-89N Spec ML1-89N Magnification 1.00±5% WD (mm) 89.6 Resolution (μm) 7.9 Depth of Field (mm) 0.7 Effective Fno 8.82 Distortion (%) 0.04 Weight (g) 15 Largest Compatible Sensor 1/2" type Mount C mount 0755-84690029 手机/微信:13682357734 QQ:2844337877
分类:
描述
MORITEX茉丽特 FA工业镜头 ML1-89N
|
Spec |
ML1-89N |
|
Magnification |
1.00±5% |
|
WD (mm) |
89.6 |
|
Resolution (μm) |
7.9 |
|
Depth of Field (mm) |
0.7 |
|
Effective Fno |
8.82 |
|
Distortion (%) |
0.04 |
|
Weight (g) |
15 |
|
Largest Compatible Sensor |
1/2" type |
|
Mount |
C mount |
0755-84690029 手机/微信:13682357734 QQ:2844337877
