MORITEX茉丽特 远心镜头 MML08-HR255
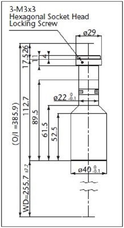
MORITEX茉丽特 远心镜头 MML08-HR255 规格 Spec MML08-HR255 Coaxial illumination - Magnification 0.8x ± 3 % WD (mm) 255.7 Resolution (μm) 8.4 Depth of Field (mm) 1.3 NA 0.04 OI (mm) 385.9 Distortion (%) 0.4 or less Image format 11mm (2/3 inches) Mount C mount 0755-84690029 手机/微信:13682357734 QQ:2844337877
分类:
描述
MORITEX茉丽特 远心镜头 MML08-HR255
规格
|
Spec |
MML08-HR255 |
|
Coaxial illumination |
- |
|
Magnification |
0.8x ± 3 % |
|
WD (mm) |
255.7 |
|
Resolution (μm) |
8.4 |
|
Depth of Field (mm) |
1.3 |
|
NA |
0.04 |
|
OI (mm) |
385.9 |
|
Distortion (%) |
0.4 or less |
|
Image format |
11mm (2/3 inches) |
|
Mount |
C mount |
0755-84690029 手机/微信:13682357734 QQ:2844337877
