MORITEX茉丽特 远心镜头 MML8-HR220D
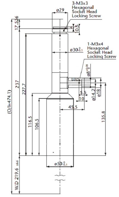
MORITEX茉丽特 远心镜头 MML8-HR220D 规格 Spec MML8-HR220D Coaxial illumination ○ Magnification 8.0x ± 3 % WD (mm) 220 Resolution (μm) 4 Depth of Field (mm) 0.06 NA 0.083 OI (mm) 474.9 Distortion (%) - 0.02 or less Image format 11mm (2/3 inches) Mount C mount 0755-84690029 手机/微信:13682357734 QQ:2844337877
分类:
描述
MORITEX茉丽特 远心镜头 MML8-HR220D
规格
|
Spec |
MML8-HR220D |
|
Coaxial illumination |
○ |
|
Magnification |
8.0x ± 3 % |
|
WD (mm) |
220 |
|
Resolution (μm) |
4 |
|
Depth of Field (mm) |
0.06 |
|
NA |
0.083 |
|
OI (mm) |
474.9 |
|
Distortion (%) |
- 0.02 or less |
|
Image format |
11mm (2/3 inches) |
|
Mount |
C mount |
0755-84690029 手机/微信:13682357734 QQ:2844337877
