MORITEX茉丽特 远心镜头 MML05-HR110D
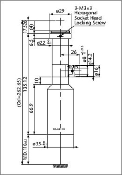
MORITEX茉丽特 远心镜头 MML05-HR110D 规格 Spec MML05-HR110D Coaxial Illumination ○ Magnification 0.50±5% WD (mm) 110 Resolution (μm) 12.8 Depth of Field (mm) 3 NA 0.026 Effective Fno 9.5 Distortion (%) 0.028 Weight (g) 142 Largest Compatible Sensor 2/3" type Mount C mount 0755-84690029 手机/微信:13682357734 QQ:2844337877 邮箱:2844337877@qq.com
分类:
描述
MORITEX茉丽特 远心镜头 MML05-HR110D
规格
|
Spec |
MML05-HR110D |
|
Coaxial Illumination |
○ |
|
Magnification |
0.50±5% |
|
WD (mm) |
110 |
|
Resolution (μm) |
12.8 |
|
Depth of Field (mm) |
3 |
|
NA |
0.026 |
|
Effective Fno |
9.5 |
|
Distortion (%) |
0.028 |
|
Weight (g) |
142 |
|
Largest Compatible Sensor |
2/3" type |
|
Mount |
C mount |
0755-84690029 手机/微信:13682357734 QQ:2844337877 邮箱:2844337877@qq.com
