MORITEX茉丽特 环形光导 MRG75-1000S
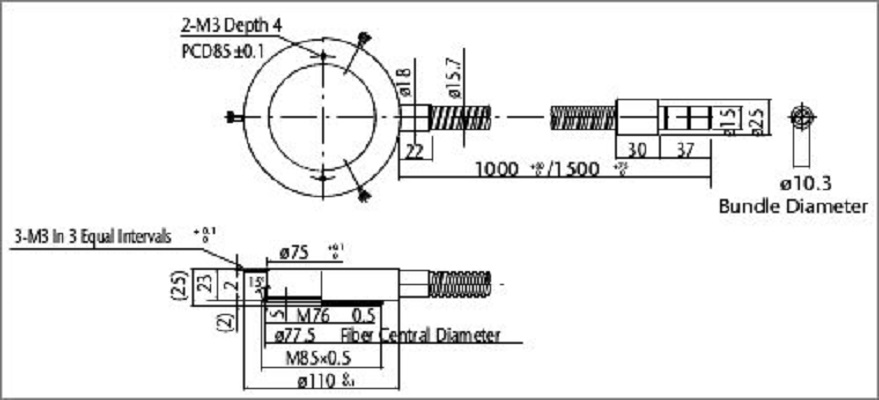
MORITEX茉丽特 环形光导 MRG75-1000S 规格 Spec MRG75-1000S Optical Fiber Material Glass Ring Internal Diameter (mm) φ75 Fiber Length (mm) 1000 Tube SUS flexible 0755-84690029 手机/微信:13682357734 QQ:2844337877 邮箱:2844337877@qq.com
分类:
描述
MORITEX茉丽特 环形光导 MRG75-1000S
规格
|
Spec |
MRG75-1000S |
|
Optical Fiber Material |
Glass |
|
Ring Internal Diameter (mm) |
φ75 |
|
Fiber Length (mm) |
1000 |
|
Tube |
SUS flexible |
0755-84690029 手机/微信:13682357734 QQ:2844337877 邮箱:2844337877@qq.com
