MORITEX茉丽特 工业光源 MDBL-CR25
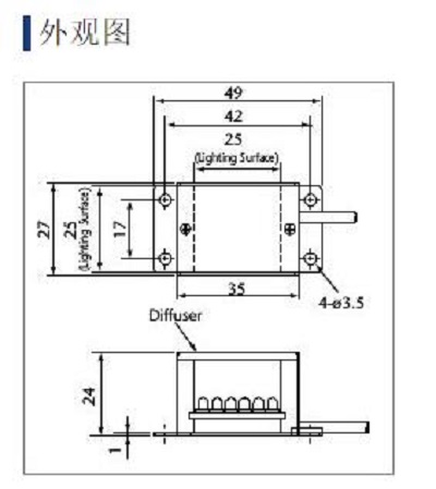
MORITEX茉丽特 工业光源 MDBL-CR25 Spec MDBL-CR25 Color Red Maximum Rated Current (A) 0.14 Light Emitting Part Dimensions (mm) 25×25 Weight (g) 60 0755-84690029 手机/微信:13682357734 QQ:2844337877 邮箱:2844337877@qq.com
分类:
描述
MORITEX茉丽特 工业光源 MDBL-CR25
|
Spec |
MDBL-CR25 |
|
Color |
Red |
|
Maximum Rated Current (A) |
0.14 |
|
Light Emitting Part Dimensions (mm) |
25×25 |
|
Weight (g) |
60 |
0755-84690029 手机/微信:13682357734 QQ:2844337877 邮箱:2844337877@qq.com
