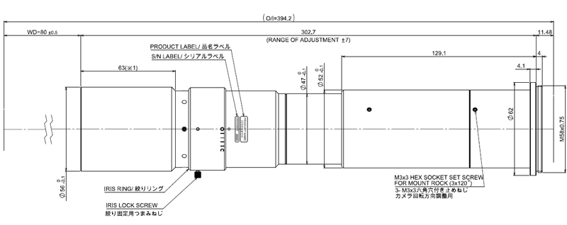
MORITEX茉丽特 MML5-HR80DVI-43M58 远心镜头
MORITEX茉丽特 MML5-HR80DVI-43M58 远心镜头 手机/微信:13682357734 电话:0755-84690029 QQ:2844337877 邮箱:2844337877@qq.com
分类:
货号:
MML5-HR80DVI-43M58
描述
MORITEX茉丽特 MML5-HR80DVI-43M58 远心镜头


手机/微信:13682357734 电话:0755-84690029 QQ:2844337877 邮箱:2844337877@qq.com
