MORITEX茉丽特 MML1-HR65DVI-5M 远心镜头
MORITEX茉丽特 MML1-HR65DVI-5M 远心镜头 手机/微信:13682357734 电话:0755-84690029 QQ:2844337877 邮箱:2844337877@qq.com
分类:
货号:
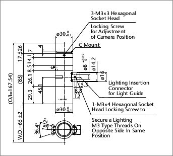
MML1-HR65DVI-5M
描述
MORITEX茉丽特 MML1-HR65DVI-5M 远心镜头


手机/微信:13682357734 电话:0755-84690029 QQ:2844337877 邮箱:2844337877@qq.com
